综合水处理系统解决方案供应商
免费检测 ●免费定制方案 ●工程施工 ●设备研制
全国咨询服务电话
扫一扫 添加微信
若您发现潭澄节能环保销售人员态度差、不专业,施工人员素质问题,施工质量问题,整体售后体验差,
欢迎您拨打潭澄节能环保 监督投诉电话:138-2501-1621
接到投诉后,我们会立即受理,尽快解决您的问题,
并对相关人员进行严厉处罚,加大整顿力度,保障您的权益,欢迎您的监督!!
40T超滤电控图---(单片机)
40T超滤电控图---(控制柜)
40T超滤电控图---(动力柜)
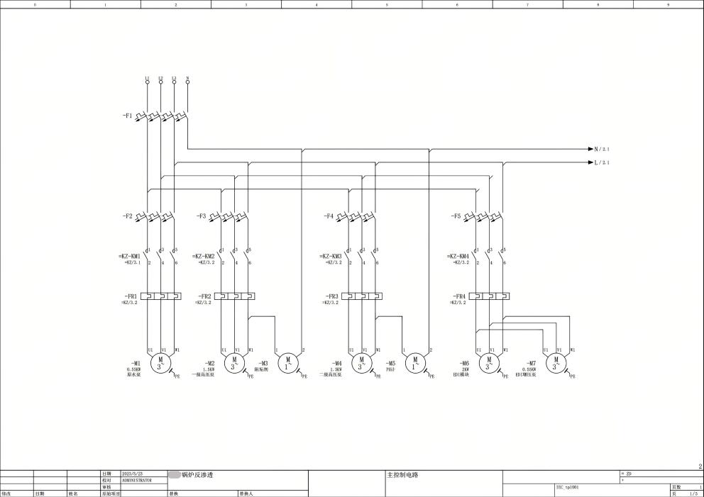
锅炉反渗透 --(主控制电路)
锅炉反渗透-- (安装布局)
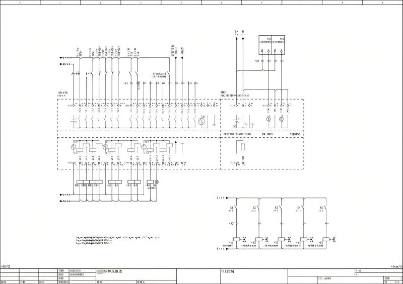
锅炉反渗透 --(PLC控制)
废水处理工程-- (原水控制部分布局)
废水处理工程-- (安装布局)
废水处理工程-- (PLC控制部分)
废水处理工程 --(MBR动力部分)
Copyright © 2025 潭澄(江苏)节能环保科技有限公司 版权所有
苏ICP备2025187174号-1
138-2501-1621
联系我们
24小时咨询热线:立即拨打电话,获取解决方案,以及全套设备报价单!
扫二维码 添加微信详细咨询